Nồi hơi đốt dầu dạng nằm mà chúng tôi thiết kế sản xuất dùng chung cho các loại nhiên liệu như dầu DO, dầu FO, Gas, hiệu suất của nồi hơi cao, đáp ứng được mọi tiêu chí cho việc sử dụng, các mẫu được thiết kế đa dạng và linh hoạt, vận hành hoàn toàn tự động giúp phần đảm bảo luôn luôn ổn định hơi cũng như dễ dàng trong vận hành. Nồi hơi được thiết kế 3-pass hộp khói ướt giúp tăng hiệu suất và giảm thiểu chi phí vận hành. Ngoài ra nồi hơi còn được trang bị các các bộ tiếp kiệm nhiệt tùy theo từng công suất của nồi hơi.
Documents
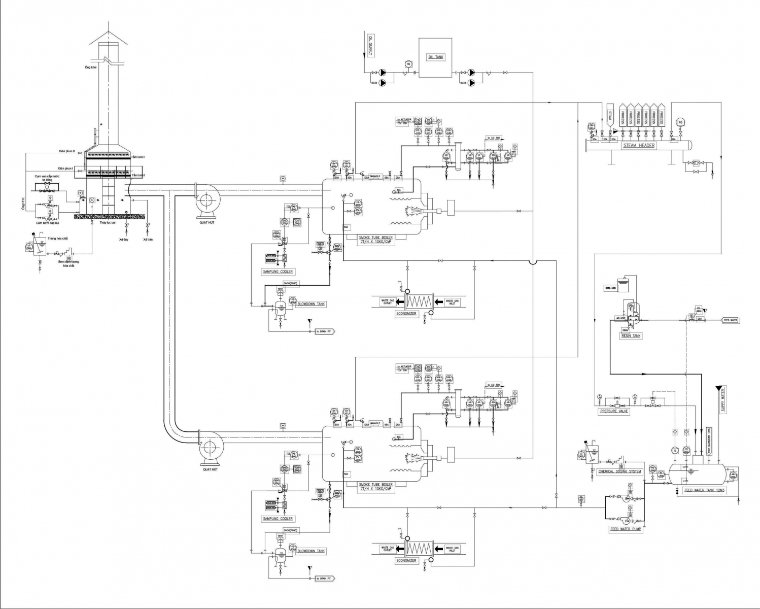
NGUYÊN LÝ VÀ THÔNG SỐ


.png)

Nồi hơi đốt dầu FO, DO, Gas có thiết kế gần như giống nhau với tính toán kỹ lưỡng và cho ra thiết kế 3-pass làm tăng đường đi của khí nóng giúp trao đổi nhiệt tốt hơn của lò hơi. Ngoài ra nồi hơi còn được trang bị thêm các hệ thống tiết kiện năng lượng để năng hiệu suất của nồi hơi lên. Các loại nồi hơi có công suất lớn hoặc theo yêu cầu của nhà máy mà chúng tôi lắp thêm hệ thống khử khí,

Khử khí để làm gì?
Các loại khí hòa tan thường có trong nước gây ra nhiều vấn đề để ăn mòn. Như oxy trong nước tạo ra các vết rỗ đặc biệt nghiêm trọng do tính chất bản địa hóa của nó. Sự ăn mòn cacbon dioxide thường gặp phải trong các hệ thống ngưng tụ và ít phổ biến hơn trong các hệ thống phân phối nước. Nước có chứa amoniac đặc biệt trong sự hiện diện của oxy dễ dàng tấn công các hợp kim và đồng. Kết quả của sự ăn mòn dẫn đến cặn bám trên bề mặt truyền nhiệt nồi hơi và làm giảm hiệu quả của nồi hơi và gây thủng ống.
Thực tế là bình khử khí chỉ cần gia nhiệt nước cấp đến nhiệt độ gần đến nhiệt độ bão hòa ở áp suất làm việc của bình khử khí (nghĩa là gia nhiệt đến gần sôi). Ở nhiệt độ này thì các khí không ngưng đã tách khỏi nước cấp. Hỗn hợp hơi và khí không ngưng bốc lên sẽ gặp nước cấp đi xuống, như vậy lượng nước bốc lên sẽ ngưng tụ và được thu hồi lại và nước sẽ được chảy xuống bình chứa nước mềm.
Để đáp ứng các tiêu chuẩn về an toàn trong nồi hơi và loại bỏ hàm lượng oxy, chúng tôi có trang bị thêm thiết bị khử khí
Các thiết bị tự động hóa sẽ được lắp trên nồi hơi để kiểm soát 1 cách dễ dàng giúp cho nồi hơi luôn luôn đảm bảo được hiệu suất cũng như tính năng đáp ứng như cầu hơi trong vận hành.
Nguyên lý làm việc hệ khử khói
Tháp hấp thụ khi khói lò đi khi qua tháp sẽ mang rất nhiều hơi ẩm kết hợp với các gốc axit còn sót sau xử lý, sẽ tao thành các axit mạnh gây ăn mòn rất nhanh nên ống khói được chế tạo bằng thép INOX SUS304.
Khói lò đi ngược chiều với dòng nước có chứa NAOH trong tháp hấp phụ, ở đây lớp đệm có mục đích làm gia tăng độ tiếp xúc giữa nước và khói lò. Những tro, muội và cả những thành phần dầu chưa cháy hết (trong lúc khởi động) sẽ được nước hấp phụ, thành phần NAOH có tác dụng triệt tiêu (trung hoà) những gốc Axit hình thành trong quá trình cháy như Sox, Nox, và nó là một trong những tiêu chí để đánh giá mức độ ô nhiễm. Tất cả những sản phẩm này sẽ được đưa về thùng chứa nước thu hồi 1. Trong thùng chứa nước thu hồi sẽ có 2 van: xả đáy và xả váng, tuỳ theo mức độ ô nhiễm mà ta mở 2 van xả này cho phù hợp, nước xả sẽ được xả vào bình lắng lọc trước khi xả ra môi trường. Trong bình lắng lọc thành phần váng dầu sẽ được giữ lại, chất cặn lắng cũng được giữ lại, những chất này sẽ được xả bỏ sau 1 thời gian vân hành khoảng 15 ngày/lần
Nước thu hồi một phần sẽ được chảy sang bình nước bổ sung 2 để bơm ngược lên tháp, vì nước thu hồi không đủ nên phải cấp nước bổ xung qua 1 van tự động để đảm bảo mực nước trong bình nước bổ xung. Quá trình cấp NAOH được cấp thông qua 1 bơm định lượng, điều khiển bơm này là 1 công tắc dòng, để đảm bảo nước nguồn luôn được pha 1 lượng hoá chất NAOH, làm sao để lượng NAOH chiếm khoảng 2%.

Yêu cầu kỹ thuật và nghiệm thu
Hệ thống đảm bảo yêu cầu về kỹ thuật và an toàn, vận hành đơn giản áp dụng phù hợp với thực trạng nồi hơi.
Khí thải của nồi hơi bảo đảm nồng độ khí thải : Cột B – QCVN 19 :2009 BTNMT
(Tiêu chuẩn mới của Việt Nam)
Ống lò lệch tâm
THÔNG SỐ VÀ MÃ HIỆU NỒI HƠI
Ống lò thẳng tâm








